MaxStart - электронные устройства и системы

Статьи

     Что такое катушка Тесла?

      Катушка Тесла, это резонансное трансформаторное устройство, изобретенное Николой Тесла в 1891 году. Она генерирует высокочастотные колебания высокого напряжения, но относительно небольшой силы тока.
      Никола Тесла экспериментировал с различными конфигурациями своего устройства, в котором было две, и иногда три, связанные между собой обмотки трансформатора. Он использовал свои схемы для проведения инновационных на то время экспериментов по электрическому освещению, генерированию рентгеновского излучения, электротерапии и передачи энергии на расстояние без проводов.
     Схемы катушек тесла применялись в передатчиках искровых беспроволочных телеграфах вплоть до 1920-х годов, и в медицинских приборах электротерапии и ультрафиолетового излучения. В настоящее время основным применением катушек Тесла является демонстрация в развлекательных и образовательных целях. Маленькие катушки Тесла применяются и в настоящее время в качестве датчиков утечки в установках глубокого вакуума.
     Фактически катушка Тесла, это радиочастотный генератор, работа которого основана на резонансном трансформаторе, состоящего из двух обмоток с воздушным сердечником. Оригинальная схема катушки Тесла основана на искровом промежутке, ток с которого поступал на первичную обмотку, а затем многократно умноженное напряжение появлялось на полюсах вторичной обмотки. В настоящее время в качестве переключателя, управляющего током первичной обмотки используются транзисторы или тиристоры, в экзотических моделях применяются даже электронные лампы.
     Напряжение на выходе катушек Тесла в зависимости от их мощности и размера может достигать от нескольких киловольт, до нескольких мегавольт, а частоты радиоизлучения от 50 кГц до 3 МГц.
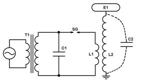
     Простейшая схема катушки тесла изображена на Рис. 1 Питание схемы происходит от источника переменного тока, например, от бытовой электрической сети 220В 50 Гц. После повышения напряжения трансформатором T1, ток поступает на конденсатор C1. По мере заряда конденсатора напряжение на его обкладках в какой-то момент достигает величины при которой происходит пробой искрового промежутка разрядника SG. Напряжение пробоя зависит от расстояния между электродами разрядника. При этом сопротивление разрядника уменьшается до очень маленькой величины и происходит фактически формирование первичного резонансного контура C1L1. Ток из конденсатора перетекает через катушку на противоположную обмотку и затем тут же перетекает обратно. Возникает генерация высокочастотных колебаний на частоте резонанса контура.

Неоновые лампы для Тесла шоу


     Переменное магнитное поле, созданное в первичной обмотке, индуцирует переменный ток во вторичной обмотке L2 согласно закону индукции Фарадея. Энергия из первичной обмотки начинает передаваться во вторичную и её величина ограничена энергией, изначально запасённой в конденсаторе C1.
     Любая катушка обладает не только индуктивностью, но и межвитковой ёмкостью, благодаря чему она работает как колебательный контур и способна накапливать и какое-то время сохранять энергию колебаний. Так-как происходит неизбежное излучение электромагнитных колебаний, или иначе говоря радиоволн, то ток протекающий по первичному и вторичному контурам постепенно затухает. В какой-то момент перестает хватать силы тока для подержания воздуха в искровом промежутке разрядника в ионизированном состоянии и разряд прекращается, обрывая тем самым цепь первичного контура. Ток поступающий от питающего трансформатора T1 начинает снова заряжать конденсатор C1 и процесс повторяется.
     Каждый такой цикл происходит очень быстро, колебания затихают за время порядка нескольких миллисекунд. Каждый разряд в искровом промежутке создает импульс затухающего высокого напряжения синусоидальной формы на верхнем конце вторичной катушки. Каждый такой импульс затухает до появления нового разряда. Таким образом катушка Тесла, построенная по такой схеме, генерирует непрерывную серию затухающих высокочастотных импульсов высокого напряжения. Так-как на питающий трансформатор подается напряжение из сети переменного тока с частотой 50 или 60 Гц, в зависимости от местных стандартов, то и конденсатор C1 перезаряжается с этой же частотой. В зависимости от размеров и конструкции разрядника за один полупериод тока сети может возникать один или два пробоя в разряднике. Таким образом за одну секунду в разряднике может возникать сотни пробоев, и искра в искровом промежутке может казаться непрерывной, соответственно непрерывными будут казаться и молнии, испускаемые с верхнего конца вторичной катушки.
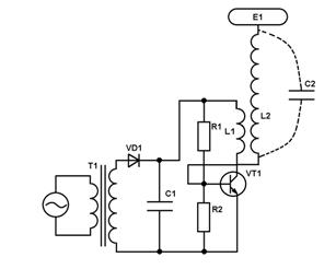
     Ещё одной наиболее популярной схемой катушки Тесла является схема на транзисторе. Она имеет название качер Бровина в честь российского инженера, разработавшего данную схему Рис.2.

Неоновые лампы для Тесла шоу


     Узел питания схемы образован питающим трансформатором T1, выпрямительным диодом VD1 и сглаживающим конденсатором C1. Вместо представленного узла питания может быть использован любой другой преобразователь переменного сетевого тока в постоянный, или гальванический элемент питания.
     Схема работает по принципу транзисторного усилителя с положительной обратной связью, что в свою очередь переводит схему в разряд генераторов. Так-как в качестве нагрузки транзистора VT1 и элемента обратной связи выступают первичная и вторичная обмотки, то работа генератора происходит на результирующей резонансной частоте этих двух связанных колебательных контуров. Транзистор работает в режиме A, который определяется напряжением смещения базы транзистора. Напряжение смещения в свою очередь задается с помощью резисторов R1 и R2.
     Выход схемы на рабочий режим при включении питания происходит следующим образом. После подачи питания и установки точки смещения базы на середину прямолинейного участка вольт-амперной характеристики транзистора начинается усиления сигнала, поступающего на базу. Так-как в проводниках при температуре отличной от абсолютного нуля присутствует тепловой белый шум (незначительные электрические колебания в широком спектре частот), то происходит их усиление транзистором и в такт этим колебаниям начинает протекать переменный ток в первичной обмотке и далее индуцироваться во вторичной. Связка первичной и вторичной обмоток, являясь колебательным контуром со своей резонансной частотой, пропускает на базу только колебания своей частоты, а колебания с другими частотами ослабляет. Усиленные колебания собственной частоты, поступившие на базу, снова усиливаются и происходит процесс увеличения амплитуды колебаний, который через некоторое время достигает насыщения и колебания стабилизируются на одном уровне.
     Существуют и другие схемы катушек Тесла, но в этой статье рассмотрены лишь самые простые и распространённые из них.

     <<< Назад
Valid XHTML 1.0 Transitional Яндекс.Метрика Рейтинг@Mail.ru